PLC FX dòng china
Liên hệ shop để được giá tốt : 0907599347

Các địa chỉ của PLC FX cần nhớ:
X: ngõ vào gắn trực tiếp vào PLC
Y: ngõ ra nối trực tiếp từ PLC
T: thiết bị định thì
C: thiết bị đếm
M: relay phụ trợ, cờ chuyên dụng (M8000-M8255)
S: relay trạng thái, cờ hiệu (S900-S999)
D: thanh ghi
P: con trỏ
K: hằng số thập phân
H: hằng số thập lục phân
A. CÁC TẬP LỆNH CƠ BẢN CẦN NHỚ PLC FX
1. Tập lệnh output.
2.Tập lệnh thường hở thường đóng.
3.Tập lệnh Set và Reset

4. Tập lệnh Counter

5.Tập lệnh Timer


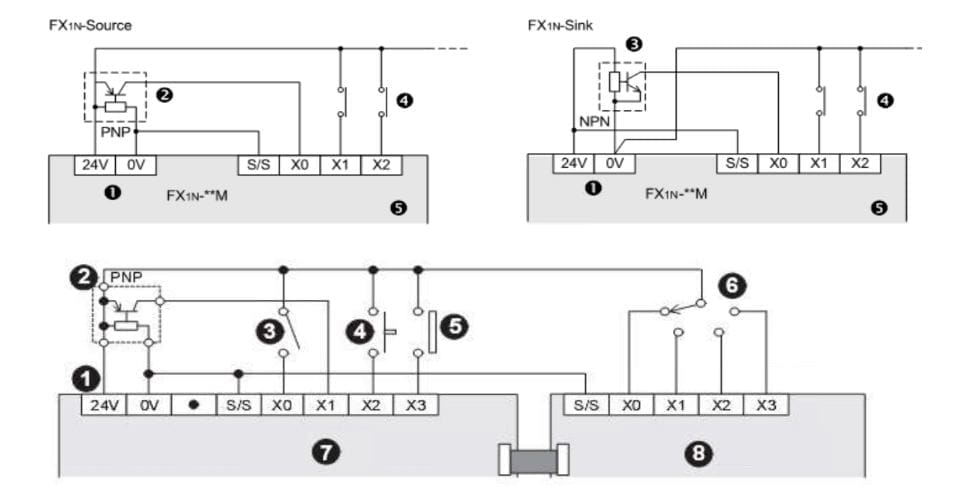
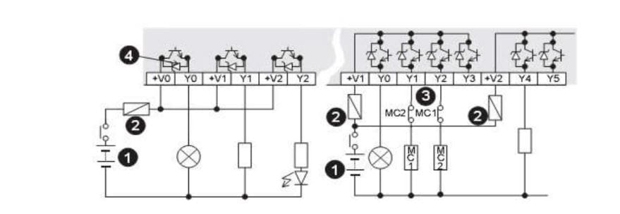
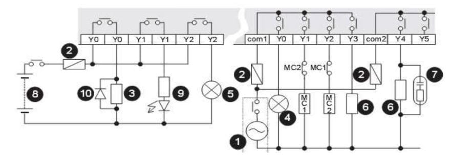
B. CÁC CÁCH ĐẤU DÂY CỦA PLC FX
1.Đấu dây phần ngõ vào

2. Cách đấu dây ngõ ra




