TÀI LIỆU
HMI LÀ GÌ?
HMI LÀ GÌ Màn hình HMI có lẽ là đã quá quen thuộc với các
Các loại máy in 3D phổ biến
Các loại máy In 3D phổ thông Các loại máy in 3D đều không giống
ENCODER là gì?
Bạn mới tìm hiểu về lĩnh vực gia công cơ khí? Bạn chưa biết Encoder là gì?
Tủ Điều Khiển Khí CO – Giải Pháp Giám Sát & Điều Khiển Nồng Độ Carbon Monoxide An Toàn
Tủ điều khiển khí CO (CO Gas Control Panel) là thiết bị trung tâm dùng
Tủ điều khiển AHU
Tủ điều khiển AHU là hệ thống điều khiển trung tâm dùng để quản lý,
Lỗi không kết nối WINCC RUNTIME
TỔNG HỢP CÁC LỖI KHÔNG KẾT NỐI ĐƯỢC WINCC VỚI TIA PORTAL Hôm nay chúng
HƯỚNG DẪN LẬP TRÌNH ĐÈN GIAO THÔNG NÂNG CAO
Hệ thống đèn giao thông được sử dụng để điều tiết phương tiện tại các
Xung cạnh lên và xung cạnh xuống trong PLC
1. Xung cạnh lên (Rising Edge) Khái niệmXung cạnh lên là thời điểm tín hiệu
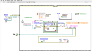
Hướng dẫn cài đặt labview kết nối PLC
Tải về NI LabView 2020 bản đầy đủ, NI LabView là bộ phần mềm máy
HƯỚNG DẪN CÀI ĐẶT PHẦN MỀM FACTORY IO
Factory IO là phần mềm rất hay cho anh em muốn tập tành lập trình
- 1
- 2

